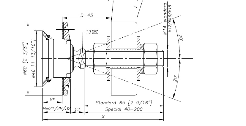
planer spider cephe sistemlerinde tek veya çift cam lamine projelerde camın dış yüzeyinde kademe istenmemesi durumunda kullanılır.

her ebat ve ölçüde 304 yada 316 kalite olarak üretilebilir.